| Wskazówka
W przypadku pofabrycznego montażu haka holowniczego w zależności od typu konieczne są modyfikacje układu chłodzenia silnika. Podczas pofabrycznego montażu haka holowniczego należy zwracać uwagę na punkty mocowania na ramie podwozia. |

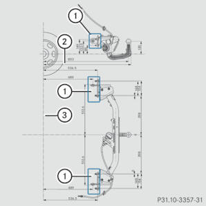
Punkty mocowania haka holowniczego (przykład)
Punkty mocowania
Odległość od osi tylnej do końcówki haka holowniczego
Linia środkowa osi tylnej
W przypadku fabrycznie zamontowanego haka holowniczego odległość od osi tylnej do końcówki haka holowniczego wraz z nakładką osłaniającą wynosi 880 mm.
Brakujące dane dla modelu B 180 CDI (246.207) były jeszcze niedostępne w momencie zakończenia redakcji.